![]() |
![]() |
![]() |
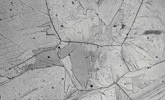
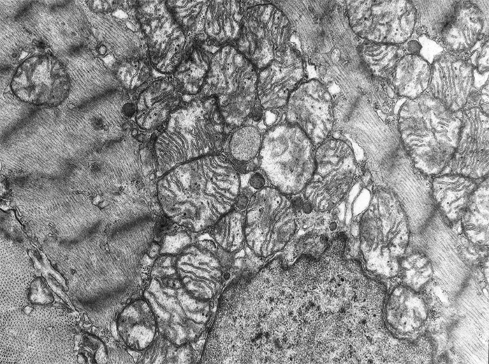
熱處理人必須了解的14種金相組織發布日期:2025-8-6 類別:行業新聞 瀏覽量: 550 熱處理工作者必須掌握的金相組織知識,因為這直接關系到材料性能的控制。以下是14種必須了解的核心金相組織,涵蓋了鋼鐵材料中最常見和最重要的類型: 1、奧氏體 定義:碳在γ-Fe中的間隙固溶體。面心立方結構。 特點:高溫穩定相(存在于727°C以上,具體溫度取決于含碳量)。塑性、韌性好,強度、硬度較低(相對于室溫組織)。無磁性。是淬火獲得馬氏體的前提條件。 形成:加熱到奧氏體化溫度以上(Ac3或Accm以上)并保溫足夠時間。 重要性:幾乎所有熱處理(淬火、正火、退火)的起始或中間組織。控制其成分均勻性和晶粒大小至關重要。 2、鐵素體 定義:碳在α-Fe中的間隙固溶體。體心立方結構。 特點:室溫穩定相(存在于727°C以下)。含碳量極低(<0.0218%),軟、韌、塑性好,強度、硬度低。具有鐵磁性。 形成:平衡冷卻時奧氏體分解的產物;亞共析鋼緩冷后的主要組成相;退火、正火、回火等工藝中常見。 重要性:決定了低碳鋼的優良塑性和韌性。其形態(晶粒大小、分布)影響綜合性能。 3、滲碳體 定義:鐵與碳形成的金屬間化合物,分子式Fe3C。 特點:硬而脆(HB~800),塑性幾乎為零。熔點高,穩定性好(亞穩相)。是鋼中主要的強化相之一。 形成:過飽和奧氏體在冷卻過程中析出;存在于珠光體、貝氏體、萊氏體、馬氏體回火產物中等多種組織中。 重要性:其數量、形態(片狀、粒狀、網狀等)、大小和分布對鋼的強度、硬度、耐磨性及韌性有決定性影響。控制其形態是熱處理的關鍵目標之一(如球化退火)。 4、珠光體 定義:鐵素體和滲碳體片層相間的機械混合物。是共析反應的產物。 特點:平衡組織(A1溫度附近緩冷形成)。片層間距相對較粗(光學顯微鏡下清晰可見)。強度、硬度適中(HB~200),有一定的塑韌性。綜合機械性能良好。 形成:共析鋼完全奧氏體化后緩慢冷卻;過冷度較小時奧氏體的分解產物。 重要性:退火、正火(亞共析鋼)的典型組織。是理解后續更細密組織的基礎。 5、索氏體 定義:細珠光體。鐵素體和滲碳體更細密的片層狀機械混合物。 特點:片層間距比珠光體小,在較高倍(如800-1000X)光學顯微鏡下可分辨。強度、硬度(HB~300)高于珠光體,同時仍保持較好的韌性。 形成:奧氏體在相對較大的過冷度下(如空冷正火)分解的產物;回火索氏體是馬氏體中溫回火產物(形態不同,但性能類似)。 重要性:正火組織的典型代表,具有良好的綜合機械性能。回火索氏體是重要結構件的理想組織。 6、屈氏體 定義:極細珠光體/托氏體。鐵素體和滲碳體極其細密的片層狀機械混合物。 特點:片層間距非常小,在光學顯微鏡下難以分辨,呈黑團狀(需電鏡觀察)。強度、硬度(HB~400)比索氏體更高,韌性稍低但仍優于淬火態。 形成:奧氏體在更大的過冷度下(如油冷)分解的產物;回火屈氏體是馬氏體低溫回火產物(形態不同)。 重要性:某些淬透性好的鋼油冷后可能獲得;回火屈氏體具有高強度和一定的韌性,用于彈簧、模具等。 7、貝氏體 定義:過飽和鐵素體和滲碳體的非層片狀混合物。是介于珠光體和馬氏體轉變溫度之間的中溫轉變產物。 分類與特點: 上貝氏體:羽毛狀。在光學顯微鏡下呈羽毛狀特征(平行排列的鐵素體板條間分布著不連續的短桿狀滲碳體)。強度、硬度較高,但韌性較差,尤其是沖擊韌性低(因滲碳體沿鐵素體板條界析出)。 下貝氏體:針狀/片狀。在光學顯微鏡下呈黑色針狀(類似回火馬氏體,但更易受侵蝕)。電鏡下為過飽和鐵素體基體上彌散分布著細小的ε-碳化物。強度、硬度高(可達HRC 50以上),同時具有良好的韌性和耐磨性。 形成:奧氏體在珠光體和馬氏體轉變溫度區間(約550°C - Ms)等溫或連續冷卻時形成。 重要性:貝氏體等溫淬火或連續冷卻控制獲得貝氏體是提高強韌性的重要手段。下貝氏體性能優異。 8、馬氏體 定義:碳在α-Fe中的過飽和固溶體。體心正方結構(含碳量>0.2%時)。 特點:淬火獲得。高硬度(隨含碳量增加而提高,最高可達HRC 65以上)、高強度。塑性、韌性差(尤其是高碳片狀馬氏體)。硬而脆。具有針狀/片狀(高碳)或板條狀(低碳)形態。存在較大的內應力。 形成:奧氏體以大于臨界冷卻速度冷卻到Ms點以下發生無擴散型相變。 重要性:淬火的直接目標組織,是獲得高強度、高硬度的基礎。必須通過回火來調整其性能。 9、萊氏體 定義:共晶反應的產物。在鋼鐵材料中特指奧氏體(或其轉變產物)和滲碳體的共晶混合物。 特點:存在于共晶白口鑄鐵和過共晶白口鑄鐵中,高碳鋼(如高速鋼)鑄態組織中也有。硬度高(HB>700),極脆。典型的魚骨狀或蜂窩狀形態。 形成:含碳量4.3%左右的鐵碳合金液體在1148°C發生共晶反應直接生成(γ + Fe3C)。 重要性:是鑄鐵(尤其是白口鑄鐵)和某些高合金工具鋼鑄態組織的特征。其存在導致材料脆性極大,通常需要通過熱處理(如退火)來分解或改變它。 10、回火馬氏體 定義:淬火馬氏體在低溫(150-250°C)回火后的組織。 特點:仍基本保持馬氏體的針狀/板條狀形態,但析出大量極細小的ε-碳化物(Fe2.4C)。硬度略有下降(比淬火態低約HRC 1-3),內應力顯著降低,韌性略有提高。易腐蝕,顏色較深。 形成:低溫回火。 重要性:工具、軸承、滲碳件等要求高硬度和耐磨性,同時需要降低內應力、提高尺寸穩定性和一定韌性的場合。 11、回火屈氏體 定義:淬火馬氏體在中溫(350-500°C)回火后的組織。 特點:鐵素體基體上彌散分布著細小的粒狀滲碳體。原馬氏體形態隱約可見。具有高的彈性極限、屈服強度和良好的韌性配合(即強韌性好)。硬度約為HRC 40-50。 形成:中溫回火。 重要性:彈簧、熱鍛模、承受沖擊的工具等要求高彈性和良好韌性的零件。 12、回火索氏體 定義:淬火馬氏體在高溫(500-650°C)回火后的組織。 特點:鐵素體基體上均勻分布著粒狀滲碳體。原馬氏體形態基本消失。具有良好的綜合機械性能(強度、塑性、韌性都較好),即良好的強韌性。硬度約為HRC 25-40。 形成:高溫回火(調質處理)。 重要性:軸類、連桿、螺栓、齒輪等重要結構件最常用的組織狀態(調質態)。 13、魏氏組織 定義:一種過熱缺陷組織。在亞共析鋼(鐵素體魏氏組織)或過共析鋼(滲碳體魏氏組織)中,先共析相以針狀或片狀形態按一定取向插入原奧氏體晶粒內部。 特點:針狀鐵素體或滲碳體從晶界向晶內生長,呈一定角度分布。嚴重割裂基體。 形成:奧氏體晶粒粗大(過熱)且在特定冷卻速度(通常較快,如空冷)下形成。 重要性:顯著降低鋼的塑性(尤其是沖擊韌性)和強度。是必須避免或通過正火、退火消除的組織缺陷。 14、石墨 定義:鑄鐵中的游離碳,以單質形式存在。晶體結構為六方層狀。 形態與特點:片狀石墨:(灰鑄鐵)強度低,減震性好,易切削加工。 蠕蟲狀石墨:(蠕墨鑄鐵)性能介于灰鑄鐵和球鐵之間。 球狀石墨:(球墨鑄鐵)對基體割裂作用小,強度、韌性高,接近鋼。 團絮狀石墨:(可鍛鑄鐵)由白口鑄鐵石墨化退火得到,提高塑性韌性。 形成:鑄鐵凝固和/或固態石墨化退火過程中析出。 重要性:石墨是鑄鐵性能的決定性因素。其形態、大小、分布和數量直接決定了不同類型鑄鐵(灰鐵、球鐵、蠕鐵、可鍛鑄鐵)的性能特點和應用范圍。熱處理(如退火、正火)主要影響基體組織(珠光體、鐵素體等),但石墨形態通常由熔煉和孕育/球化工藝決定。 總結: 熱處理工作者的核心任務就是通過控制加熱、保溫和冷卻過程,精確地獲得或避免特定的金相組織,從而賦予材料所需的性能(強度、硬度、塑性、韌性、耐磨性、疲勞強度等)。深刻理解這14種基本金相組織的定義、形成條件、形態特征、性能特點以及它們之間的相互轉化關系,是制定合理熱處理工藝、分析解決熱處理質量問題、預測和評估材料性能的基礎。熟練掌握金相組織的觀察和鑒別是熱處理工作者的必備技能。 上一條:網帶式等溫正火爐生產線正確操作方法 |
Copyright © 2025 等溫正火生產線生產廠家——湖州中科爐業科技有限公司 All Rights |